Kawasaki Ninja ZX-6R - 2003-07 - Français
30 €
- Référence : 16734_1066214
- Dernière mise à jour : 15/01/2026
Informations clés : PIèCES ET éQUIPEMENTS MOTO - SCOOTER - QUAD
Manuel d'atelier Kawasaki Ninja ZX-6R - 2007 - Français.
- Généralités
- Entretien périodique
- Circuit d'alimentation (DFI)
- Circuit de refroidissement
- Partie supérieure du moteur
- Embrayage
- Circuit de lubrification de moteur
- Dépose / pose du moteur
- Vilebrequin / Transmission
- Roues / Pneus
- Transmission finale
- Freins
- Suspension
- Direction
- Cadre
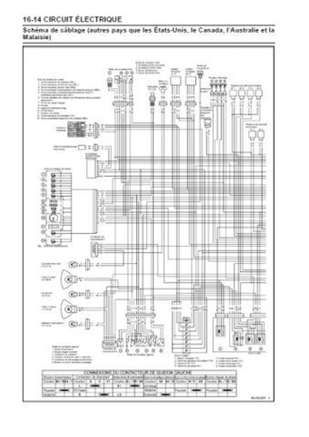
- Circuit électrique
- Annexe
702 pages.
En français.
Sur CDRom au format pdf imprimable
Frais de port et d'emballage 3,00 euros (Lettre Max - Suivie et Assurée). - France métropolitaine. Outre-Mer ou étranger me consulter.
NOUVEAU : Possibilité de téléchargement direct : disponibilité quasi-immédiate, frais de port : 0 euro
Règlement par chèque, virement bancaire, CB ou Paypal.
Disponible ainsi que de nombreux autres manuels auto/moto/quad/jetski/etc... sur www.meca-passion.com
Un manuel d'atelier est une documentation technique éditée par le constructeur à l'usage de ses concessionnaires.
Il détaille toutes les caractéristiques, les programmes d'entretien et les procédures de réparation (lourdes ou légères) du véhicule auquel il est consacré.
Il s'agit donc d'une sorte de "super revue technique" introuvable dans le commerce "traditionnel" (librairies, magasins de fournitures auto-moto, etc...)
- Généralités
- Entretien périodique
- Circuit d'alimentation (DFI)
- Circuit de refroidissement
- Partie supérieure du moteur
- Embrayage
- Circuit de lubrification de moteur
- Dépose / pose du moteur
- Vilebrequin / Transmission
- Roues / Pneus
- Transmission finale
- Freins
- Suspension
- Direction
- Cadre
- Circuit électrique
- Annexe
702 pages.
En français.
Sur CDRom au format pdf imprimable
Frais de port et d'emballage 3,00 euros (Lettre Max - Suivie et Assurée). - France métropolitaine. Outre-Mer ou étranger me consulter.
NOUVEAU : Possibilité de téléchargement direct : disponibilité quasi-immédiate, frais de port : 0 euro
Règlement par chèque, virement bancaire, CB ou Paypal.
Disponible ainsi que de nombreux autres manuels auto/moto/quad/jetski/etc... sur www.meca-passion.com
Un manuel d'atelier est une documentation technique éditée par le constructeur à l'usage de ses concessionnaires.
Il détaille toutes les caractéristiques, les programmes d'entretien et les procédures de réparation (lourdes ou légères) du véhicule auquel il est consacré.
Il s'agit donc d'une sorte de "super revue technique" introuvable dans le commerce "traditionnel" (librairies, magasins de fournitures auto-moto, etc...)
Contactez
MECA-PASSION
N° de téléphone
Nous contacter